SLVSDG0B March   2016  – December 2017 TPS564208

PRODUCTION DATA.  

  1. Features
  2. Applications
  3. Description
  4. Revision History
  5. Pin Configuration and Functions
  6. Specifications
    1. 6.1 Absolute Maximum Ratings
    2. 6.2 ESD Ratings
    3. 6.3 Recommended Operating Conditions
    4. 6.4 Thermal Information
    5. 6.5 Electrical Characteristics
    6. 6.6 Typical Characteristics
  7. Detailed Description
    1. 7.1 Overview
    2. 7.2 Functional Block Diagram
    3. 7.3 Feature Description
      1. 7.3.1 Adaptive On-Time Control and PWM Operation
      2. 7.3.2 Soft Start and Pre-Biased Soft Start
      3. 7.3.3 Current Protection
      4. 7.3.4 Undervoltage Lockout (UVLO) Protection
      5. 7.3.5 Thermal Shutdown
    4. 7.4 Device Functional Modes
      1. 7.4.1 Normal Operation
      2. 7.4.2 Standby Operation
  8. Application and Implementation
    1. 8.1 Application Information
    2. 8.2 Typical Application
      1. 8.2.1 Design Requirements
      2. 8.2.2 Detailed Design Procedure
        1. 8.2.2.1 Custom Design With WEBENCH® Tools
        2. 8.2.2.2 Output Voltage Resistors Selection
        3. 8.2.2.3 Output Filter Selection
        4. 8.2.2.4 Input Capacitor Selection
        5. 8.2.2.5 Bootstrap Capacitor Selection
      3. 8.2.3 Application Curves
  9. Power Supply Recommendations
  10. 10Layout
    1. 10.1 Layout Guidelines
    2. 10.2 Layout Example
  11. 11Device and Documentation Support
    1. 11.1 Development Support
      1. 11.1.1 Custom Design With WEBENCH® Tools
    2. 11.2 Receiving Notification of Documentation Updates
    3. 11.3 Community Resources
    4. 11.4 Trademarks
    5. 11.5 Electrostatic Discharge Caution
    6. 11.6 Glossary
  12. 12Mechanical, Packaging, and Orderable Information

Package Options

Mechanical Data (Package|Pins)
Thermal pad, mechanical data (Package|Pins)
Orderable Information

Features

  • TPS564208 4-A Converter Integrated 50-mΩ and 22-mΩ FETs
  • D-CAP2™ Mode Control with Fast Transient Response
  • Input Voltage Range: 4.5 V to 17 V
  • Output Voltage Range: 0.76 V to 7 V
  • Continuous Current Mode
  • 560-kHz Switching Frequency
  • Low Shutdown Current Less than 10 µA
  • 1.6% Feedback Voltage Accuracy (25ºC)
  • Startup from Pre-Biased Output Voltage
  • Cycle-by-Cycle Overcurrent Limit
  • Hiccup-mode Overcurrent Protection
  • Non-Latch UVP and TSD Protections
  • Fixed Soft Start: 1.0 ms
  • Create a Custom Design Using the TPS564208 With the WEBENCH® Power Designer

Applications

  • Digital TV Power Supply
  • High Definition Blu-ray™ Disc Players
  • Networking Home Terminal
  • Digital Set Top Box (STB)
  • Surveillance

Description

The TPS564208 is a simple, easy-to-use, 4-A synchronous step-down converter in SOT-23 package.

The device is optimized to operate with minimum external component count and also optimized to achieve low standby current.

These switch mode power supply (SMPS) devices employ D-CAP2 mode control providing a fast transient response and supporting both low-equivalent series resistance (ESR) output capacitors such as specialty polymer and ultra-low ESR ceramic capacitors with no external compensation components.

The TPS564208 is available in a 6-pin 1.6-mm × 2.9-mm SOT (DDC) package, and specified from a –40°C to 125°C junction temperature.

Device Information(1)

PART NUMBER PACKAGE BODY SIZE (NOM)
TPS564208 DDC (6) 1.60 mm × 2.90 mm
  1. For all available packages, see the orderable addendum at the end of the data sheet.

space

space

space

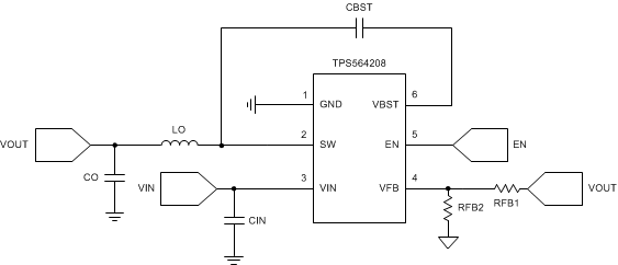
Simplified Schematic

TPS564208 Simplified_Schematic_001_SLVSDG0.gif

TPS564208 Efficiency

TPS564208 D018_SLVSDG0.gif