SLUSAH4D MARCH   2011  – February 2016 TPS56121

PRODUCTION DATA.  

  1. Features
  2. Applications
  3. Description
  4. Revision History
  5. Pin Configuration and Functions
  6. Specifications
    1. 6.1 Absolute Maximum Ratings
    2. 6.2 ESD Ratings
    3. 6.3 Recommended Operating Conditions
    4. 6.4 Thermal Information
    5. 6.5 Electrical Characteristics
    6. 6.6 Typical Characteristics
  7. Detailed Description
    1. 7.1 Overview
    2. 7.2 Functional Block Diagram
    3. 7.3 Feature Description
      1. 7.3.1  Voltage Reference
      2. 7.3.2  Enable Functionality, Startup Sequence and Timing
        1. 7.3.2.1 COMP Pin Impedance Sensing
        2. 7.3.2.2 Overcurrent Protection (OCP) Setting
      3. 7.3.3  Soft-Start Time
      4. 7.3.4  Oscillator
      5. 7.3.5  Overcurrent Protection (OCP)
      6. 7.3.6  Switching Node (SW)
      7. 7.3.7  Input Undervoltage Lockout (UVLO)
      8. 7.3.8  Pre-Bias Startup
      9. 7.3.9  Power Good
      10. 7.3.10 Thermal Shutdown
    4. 7.4 Device Functional Modes
  8. Application and Implementation
    1. 8.1 Application Information
    2. 8.2 Typical Application
      1. 8.2.1 Design Requirements
      2. 8.2.2 Detailed Design Procedure
        1. 8.2.2.1  Switching Frequency Selection
        2. 8.2.2.2  Inductor Selection (L1)
        3. 8.2.2.3  Output Capacitor Selection
        4. 8.2.2.4  Inductor Peak Current Rating
        5. 8.2.2.5  Input Capacitor Selection
        6. 8.2.2.6  Bootstrap Capacitor (C14)
        7. 8.2.2.7  Bootstrap Resistor (R2)
        8. 8.2.2.8  RC Snubber (R9 and C18)
        9. 8.2.2.9  VDD Bypass Capacitor (C11)
        10. 8.2.2.10 BP5 Bypass Capacitor (C12)
        11. 8.2.2.11 Soft-Start Capacitor (C13)
        12. 8.2.2.12 Current Limit (R1)
        13. 8.2.2.13 Feedback Divider (R4, R7)
        14. 8.2.2.14 Compensation (C15, C16, C17, R3, R6)
      3. 8.2.3 Application Curves
  9. Power Supply Recommendations
  10. 10Layout
    1. 10.1 Layout Guidelines
    2. 10.2 Layout Example
  11. 11Device and Documentation Support
    1. 11.1 Device Support
      1. 11.1.1 Third-Party Products Disclaimer
    2. 11.2 Trademarks
    3. 11.3 Electrostatic Discharge Caution
    4. 11.4 Glossary
  12. 12Mechanical, Packaging, and Orderable Information

Package Options

Mechanical Data (Package|Pins)
Thermal pad, mechanical data (Package|Pins)
Orderable Information

1 Features

  • 4.5-V to 14-V Input Voltage Range
  • Incorporates Power Block Technology
  • Up to 15-A Output Current
  • Fixed-Frequency Options of 300 kHz, 500 kHz, and 1 MHz
  • High-Side and Low-Side MOSFET RDS(on) Sensing
  • Programmable Soft-Start
  • 600-mV Reference Voltage With 1% Accuracy
  • Voltage Mode Control with Feed-Forward
  • Supports Prebiased Output
  • Thermal Shutdown
  • 22-Pin 5-mm x 6-mm PQFN PowerPAD™ Package
  • For SWIFT™ Power Products Documentation, see http://www.ti.com/swift

2 Applications

  • Point-of-Load (POL) Power Modules
  • High-Density DC-DC Converters for Telecom and Networking Applications

3 Description

The TPS56121 device is a high-efficiency and high-current synchronous buck converter designed to operate from a supply of 4.5 V to 14 V. The device can produce an output voltage as low as 0.6 V at loads up to 15 A. Integrated NexFET™ Power MOSFETs provide a small footprint and ease of use.

The device implements a voltage-mode control with voltage feed-forward compensation that responds instantly to input voltage change.

The TPS56121 is available in a thermally enhanced 22-pin PQFN (DQP) PowerPAD package.

The device offers design flexibility with a variety of user programmable functions, including soft-start, overcurrent protection (OCP) levels, and loop compensation. OCP levels are programmed by a single external resistor connected from the ILIM pin to the circuit ground. During the initial power-on sequence, the device enters a calibration cycle, measures the voltage at the ILIM pin, and sets an internal OCP voltage level. During operation, the programmed OCP voltage level is compared to the voltage drop across the low-side FET when it is on to determine whether there is an overcurrent condition and then enters a shutdown/restart cycle until the fault is removed.

Device Information(1)

PART NUMBER PACKAGE BODY SIZE (NOM)
TPS56121 LSON-CLIP (22) 6.00 mm × 5.00 mm
  1. For all available packages, see the orderable addendum at the end of the datasheet.

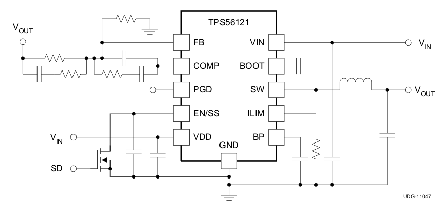
Simplified Application

TPS56121 v11047_lusah4.gif