SNLS044D May   2000  – July 2016 DS90LV047A

PRODUCTION DATA.  

  1. Features
  2. Applications
  3. Description
  4. Revision History
  5. Pin Configuration and Functions
  6. Specifications
    1. 6.1 Absolute Maximum Ratings
    2. 6.2 ESD Ratings
    3. 6.3 Recommended Operating Conditions
    4. 6.4 Thermal Information
    5. 6.5 Electrical Characteristics
    6. 6.6 Switching Characteristics
    7. 6.7 Typical Characteristics
  7. Parameter Measurement Information
  8. Detailed Description
    1. 8.1 Overview
    2. 8.2 Functional Block Diagram
    3. 8.3 Feature Description
      1. 8.3.1 LVDS Fail-Safe
    4. 8.4 Device Functional Modes
  9. Application and Implementation
    1. 9.1 Application Information
    2. 9.2 Typical Application
      1. 9.2.1 Design Requirements
      2. 9.2.2 Detailed Design Procedure
        1. 9.2.2.1 Probing LVDS Transmission Lines
        2. 9.2.2.2 Data Rate vs Cable Length Graph Test Procedure
      3. 9.2.3 Application Curve
  10. 10Power Supply Recommendations
  11. 11Layout
    1. 11.1 Layout Guidelines
      1. 11.1.1 Power Decoupling Recommendations
      2. 11.1.2 Differential Traces
      3. 11.1.3 Termination
    2. 11.2 Layout Example
  12. 12Device and Documentation Support
    1. 12.1 Documentation Support
      1. 12.1.1 Related Documentation
    2. 12.2 Receiving Notification of Documentation Updates
    3. 12.3 Community Resources
    4. 12.4 Trademarks
    5. 12.5 Electrostatic Discharge Caution
    6. 12.6 Glossary
  13. 13Mechanical, Packaging, and Orderable Information

Package Options

Mechanical Data (Package|Pins)
Thermal pad, mechanical data (Package|Pins)
Orderable Information

1 Features

  • >400-Mbps (200 MHz) Switching Rates
  • Flow-Through Pinout Simplifies PCB Layout
  • 300-ps Typical Differential Skew
  • 400-ps Maximum Differential Skew
  • 1.7-ns Maximum Propagation Delay
  • 3.3-V Power Supply Design
  • ±350-mV Differential Signaling
  • Low Power Dissipation (13 mW at 3.3-V Static)
  • Interoperable With Existing 5-V LVDS Receivers
  • High impedance on LVDS Outputs on Power Down
  • Conforms to TIA/EIA-644 LVDS Standard
  • Industrial Operating Temperature Range
    (−40°C to +85°C)
  • Available in Surface Mount SOIC and Low Profile TSSOP Package

2 Applications

  • Multifunction Printers
  • LVDS – LVCMOS Translation

3 Description

The DS90LV047A device is a quad CMOS flow-through differential line driver designed for applications requiring ultra-low power dissipation and high data rates. The device is designed to support data rates in excess of 400 Mbps (200 MHz) using Low Voltage Differential Signaling (LVDS) technology.

The DS90LV047A accepts low voltage TTL/CMOS input levels and translates them to low voltage
(350 mV) differential output signals. In addition, the driver supports a TRI-STATE function that may be used to disable the output stage, disabling the load current, and thus dropping the device to an ultra low idle power state of 13 mW typical. The DS90LV047A has a flow-through pinout for easy PCB layout.

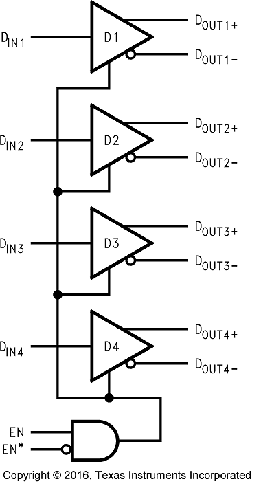
The EN and EN* inputs are ANDed together and control the TRI-STATE outputs. The enables are common to all four drivers. The DS90LV047A and companion line receiver (DS90LV048A) provide a new alternative to high power psuedo-ECL devices for high speed point-to-point interface applications.

Device Information(1)

PART NUMBER PACKAGE BODY SIZE (NOM)
DS90LV048A SOIC (16) 9.90 mm × 3.91 mm
TSSOP (16) 5.00 mm × 4.40 mm
  1. For all available packages, see the orderable addendum at the end of the data sheet.

Functional Diagram

DS90LV047A 10088702.png